login_鼎点娱乐·(中国区)官方直营平台

中文 / ENGLISH
0755-28444777
176 6539 4502

SITIME差分振荡器SIT9121的性能和原理图

作者: 扬兴科技 日期:2021-09-18 浏览量:

  SiT9121是一种高度灵活、超高性能、可编程差分振荡器,支持LVPECL和LVDS输出信号类型。该差分振荡器覆盖1至220MHz之间的任何频率,具有0.6ps的最佳RMS相位抖动。与基于石英或SAW的传统振荡器不同,SiT9121可提供电压(2.5V至3.3V),频率稳定性(±10,±20,±25和±50 PPM)和封装(3225、5032、7050)选项。(关于sitime晶振的型号问题可以查看鼎点娱乐扬兴官网《sitime晶振选型手册》)


sit9121差分晶振


  SiT9121作为SiTime推出的超高性能差分振荡器,其频率稳定度达10ppm、仅500飞秒RMS相位抖动(12khz至20mhz),满足SONET等应用的苛刻要求。SIT9121支持LVPECL和LVDS输出信号类型。可编程频率精度达小数点后六位,确保发挥系统最高性能。经过50000G抗冲击及70G抗振测试,MTBF(平均无故障时间)达5亿小时,高稳度应用首选。


sitime差分晶振


  SiT9121和SiT9122系列MEMS振荡器定位于高性能电信、存储和网络应用,如核心和边缘路由器,SATA、SAS、光纤通道主机总线适配器,云存储、服务器、无线基站和10G以太网交换机等。可完全根据客户规格需求量身定制。此外,每款产品都支持业界标准管脚配置,不需修改设计或布板方式即可替换现有石英差分振荡器。


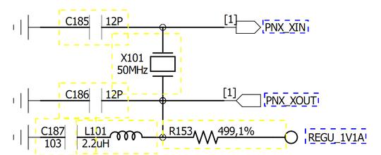
差分晶振原理图


  0.6 ps积分RMS相位抖动(12 kHz至20 MHz)


  对于最严格的应用如SONET,具有出色的抖动容限


  出色的频率稳定性,低至±10 PPM


  更好的时序裕度,增强系统稳定性和鲁棒性


  广泛的可编程性


  频率从1到220 MHz


  LVPECL和LVDS输出信号类型


  电源电压为2.5V和3.3V


  频率稳定度从±10 PPM到±50 PPM


  针对最佳系统性能的定制规格


  在操作范围内容易获得任何设备规格


  100%代替石英,SAW和谐波振荡器,没有任何设计变化

推荐阅读

样品申请

【网站地图】【sitemap】